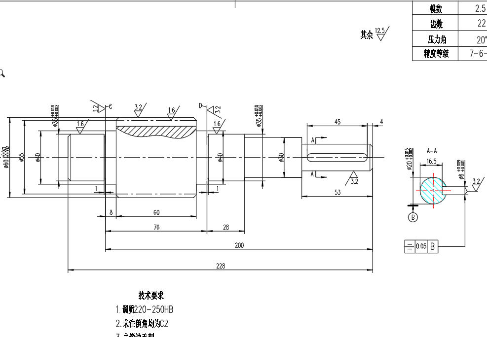
齿轮轴的机械加工工艺规程及工艺装备设计全套

齿轮轴的机械加工工艺规程及工艺装备设计全套

  设计的工装夹具是原创文件,文件包含、CAD零件图、夹具装配图,夹具零件图、

说明书。由于文件是以前制作好的成品文件,购买前请咨询店主确认所需。如不适合可

以另外定做或增加文件。
   如您有需要请联系QQ425542487