
箱体的加工工艺规程设计说明书
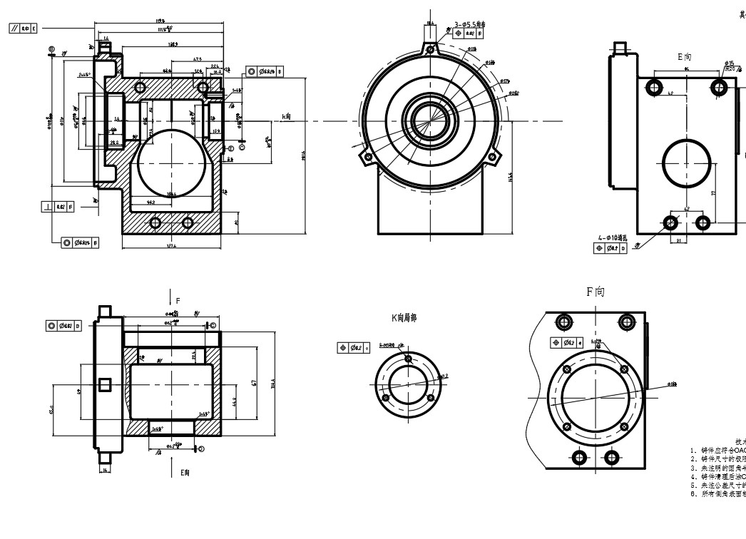
箱体材料为HT200,即灰铸铁。该材料具有较高的强度、耐磨性、耐热性根,工艺简单,铸造应力小,易加工,需人工时效;有一定的机械强度及良好的减振性,流动性能好、体收缩和线收缩小;综合力学性能低,抗压强度比抗拉强度高约3-4倍;耐热性较好;可承受较大的弯曲应力;主要用于强度、耐磨性要求较高的重要零件和要求气密性的铸件。
生产批量为大批量生产,故毛坯精度应为中等,加工余量中等;加工机床部分采用通用机床,部分采用专用机床;按零件分类,部分布置成流水线,部分布置成机群式;广泛采用专用夹具,可调夹具;按零件产量和精度,部分采用通用刀具和量具,部分采用专用刀具和量具;部分采用划线找正装夹,广泛采用通用或专用夹具装夹;有较详细的工艺规程,用工艺卡管理生产。



